Compteur divisionnaire : un compteur divisionnaire est un dispositif installé en aval d’un compteur utilitaire, comme un compteur électrique, un compteur de gaz ou un compteur d’eau. L'objectif d'un compteur divisionnaire est de mesurer et de surveiller avec précision l'utilisation d'énergie pour les charges ciblées. Exemple : une application courante pour un compteur divisionnaire est un immeuble d'appartement où la direction de la propriété souhaite facturer à chaque locataire l'utilisation électrique réelle au lieu de deviner ou de calculer la moyenne de l'utilisation.
Qu'est-ce qu'un compteur divisionnaire?
Logiciel de calcul fractionnaire des données énergétiques VerifEye
Module de base, module de rapports avancés et module de facturation du locataire; tous accessibles en ligne.
Sous-compteurs
Les compteurs divisionnaires enregistrent des mesures précises de la consommation d’énergie pour une gestion stratégique de l’énergie.
Dispositifs de réseautique pour compteurs divisionnaires
Les données de compteurs divisionnaires s’intègrent à d’autres capteurs d’énergie critiques pour fournir une solution de contrôle de l’énergie complète.
Transformateurs de courant pour compteurs divisionnaires
Les transformateurs de courant mesurent le courant électrique circulant dans la ligne.
Qu'est-ce que le calcul fractionnaire de la consommation?
La mesure de la consommation (électricité, eau, gaz, etc.) en aval d’un compteur d’entreprise de services publics.
Quelle quantité de compteurs divisionnaires est nécessaire?
Cela dépend de l’application. Voir l'exemple à droite.
Pourquoi utiliser le compteur divisionnaire?
- Facturation des locataires
- Surveillance de l'énergie
- Motivation : une fois que les locataires deviennent responsables de la consommation d’énergie, l’utilisation diminue statistiquement*
- Économies d’argent : économies à long terme de 15-20 %
- La consommation d’énergie peut varier de 250 % dans des installations similaires
- L’objectif est de réaliser des économies grâce à l’ efficacité énergétique
Responsabilité pour les économies à long terme *Étude de cas par NYSERDA 1991-Carlyle et Scott Towers, New York City, Autorité de recherche et développement énergétique de l’État de New York.Étude de cas de compteurs divisionnaires résidentiels, Carlyle Towers et Scott Towers, October 1997
Exigences de la norme California Title 24 2022
- Sections 130.5(a) et (b) : mesure de service, désagrégation des circuits électriques
- Chaque service électrique doit avoir été installé en permanence mesure accessible par l’utilisateur de l’utilisation totale d’énergie électrique conformément au tableau 130.5-A.
- Cela ne s’applique pas aux bâtiments pour lesquels la société de services publics fournit un compteur pour l’utilisation par les occupants ou l’utilisateur qui indique une demande instantanée en kW et en kWh pour une période réinitialisable par l’utilisateur
- Chaque tableau de distribution, panneau et centre de commande de moteur nouvellement installé (dans les bâtiments de construction existants et nouvellement installés) doit être conçu pour permettre la mesure désagrégée de l’énergie de charge électrique en aval conformément aux exigences du tableau 130.5-B.
Prise rapide : les compteurs nouvellement installés doivent être capables de mesurer les charges électriques, qui peuvent être visualisées en aval du compteur.
Conformité au code : tableau 130.5-A : titre 24
- Exigences minimales pour le comptage des charges électriques
| Type de compteur | Services <50kVa | Services 50-250 kVa | Services 250-1000 kVa | Services >1000kVa |
| 208V 3PH | 0-139 | 139-690 | 690-2775 | >2775 |
| 480V 3PH | 0-60 | 60-300 | 300-1200 | >1200A |
| Demande instantanée (au moment) en kWh | requise | requise | requise | requise |
| Demande historique de pic (kW) | Non requise | Non requise | requise | requise |
| RéarmablekWh | requise | requise | requise | requise |
| Période de taux en kW/h | Non requise | Non requise | Non requise | requise |
Des méthodes additionnelles et soustractives peuvent être utilisées pour déterminer l’utilisation d’énergie agrégée et désagrégée! Utilisez le logiciel et la mise en réseau
Conformité au code : tableau 130.5-A : titre 24
- Exigences minimales pour la séparation des charges électriques
| Type de compteur | Services <50kVa | Services 50-250 kVa | Services 250-1000 kVa | Services >1000kVa |
| 208V 3PH | 0-139 | 139-690 | 690-2775 | >2775 |
| 480V 3PH | 0-60 | 60-300 | 300-1200 | >1200A |
| Systèmes et composants de CVC; refroidisseurs, tours de refroidissement, pompes de circulation, etc. | Non requise | Toutes les charges de CVC en agrégat | Toutes les charges de CVC au total et chaque charge de CVC =50kVA ou plus | Toutes les charges de CVC au total et chaque charge de CVC =50kVA ou plus |
| Pompes de système d’eau domestique et de service et autres composants du système | Non requise | Toutes les charges en agrégat | Toutes les charges en agrégat | Toutes les charges en agrégat |
| Ascenseurs, escaliers, passages, etc. | Non requise | Toutes les charges en agrégat | Toutes les charges en agrégat | Toutes les charges en agrégat |
Le titre 24 ne précise pas les méthodes d’acquisition de données ou de stockage de données et la méthodologie de présentation
Conformité au code : tableau 130.5-A : titre 24
- Exigences minimales pour la séparation des charges électriques
| Type de compteur | Services <50kVa | Services 50-250 kVa | Services 250-1000 kVa | Services >1000kVa |
| 208V 3PH | 0-139 | 139-690 | 690-2775 | >2775 |
| 480V 3PH | 0-60 | 60-300 | 300-1200 | >1200A |
| Éclairage, y compris la sortie, la sortie et l’extérieur | Non requise | Toutes les charges en agrégat | Tous les éclairages sont ventilés par étage, type ou zone | Tous les éclairages sont ventilés par étage, type ou zone |
| Charge de fiche, y compris les appareils homologués < 25kva | Non requise | -Toutes les charges de fiche regroupées - Groupes de charges de fiche supérieures à 25 kVa dans une zone < 5000 pi2 | -Toutes les charges de fiche séparées par le plancher, le type ou la zone - Groupes de charges de fiche supérieures à 25 kVa dans une zone < 5000 pi2 | -Toutes les charges de fiche séparées par le plancher, le type ou la zone -Tous les groupes de charges de fiche supérieures à 25 kVa de charge connectée dans une zone <5,000 pi2 |
| État de recharge | Toutes les charges en agrégat | Toutes les charges en agrégat | Toutes les charges en agrégat | Toutes les charges en agrégat |
| Comprend l’éclairage, la fiche et la langue des VE seulement. CVC, pompes à eau, ascenseurs, salles de spectacle, cuisines commerciales, exigences renouvelables non incluses dans ce tableau. Voir les détails de la norme T24 . | ||||
Le titre 24 ne précise pas les méthodes d’acquisition de données ou de stockage de données et la méthodologie de présentation
Conformité au code : tableau 130.5-A : titre 24
- Exigences minimales pour la séparation des charges électriques
| Type de compteur | Services <50kVa | Services 50-250 kVa | Services 250-1000 kVa | Services >1000kVa |
| 208V 3PH | 0-139 | 139-690 | 690-2775 | >2775 |
| 480V 3PH | 0-60 | 60-300 | 300-1200 | >1200A |
| Autres charges/appareils non CVC évalués à <25kVA | Non requise | Tous | Chacun | Chacun |
| Panneaux de distribution industriels/commerciaux <25kVA pour inclure les cuisines de communication/éclairage théâtral | Non requise | Tous | Chacun | Chacun |
| Charges associées à une source d’alimentation renouvelable | Non requise | Toutes les charges en agrégat | Toutes les charges en agrégat | Toutes les charges en agrégat |
| Source d'alimentation renouvelable (Net ou Total) | Chaque groupe | Chaque groupe | Chaque groupe | Chaque groupe |
Le titre 24 ne précise pas les méthodes d’acquisition de données ou de stockage de données et la méthodologie de présentation
New York Local Law 88 (NY LL 88 – 132/134)
La ville de New York exige que tous les bâtiments commerciaux de plus de 25,000 pi2 installent des compteurs divisionnaires pour tout locataire qui loue au moins 5,000 pi2 d’espace
- Modifié par LL 132/134 en 2016 pour réduire les seuils de superficie
- Tous les bâtiments commerciaux de plus de 25,000 pi2 ( 50,000pi2) doivent installer des compteurs divisionnaires pour tout locataire qui loue au moins 5,000 pi2 ( 10,000pi2) d’espace
- L'équipement requis doit être en place avant le January 1, 2025
- La majorité des baux commerciaux à New York durent 10 ans
- Les compteurs doivent être planifiés et installés dès maintenant pour assurer la conformité et prévenir les perturbations des locataires
Code de Seattle pour la mesure de l'énergie
- Requiert des compteurs divisionnaires dans les bâtiments plus récents de plus de 20,000 pi2 et des ajouts de plus de 10,000 pi2.
- Les améliorations apportées aux locataires lorsqu’ils occupent l’ensemble de l’étage du bâtiment doivent être mesurées individuellement.
- Les bâtiments dotés de capacités de mesure doivent maintenir cette capacité dans les futures modifications et ajouts.
- Compteurs divisionnaires pour utilisateurs finaux1202.1-1202.5
- Le système doit également recueillir des données d’utilisation d’énergie pour l’ensemble du bâtiment et séparément pour chacune des catégories d’utilisation finale des sections 1202.1 à 1202.5.
Exigences de la ville de Seattle en matière de mesure de la consommation d'énergie
| Totaux par type de charge | Mesure de l'utilisation d'énergie |
| 1202.1 Utilisation totale de l’énergie du système de CVC | Doit inclure toute l’énergie pour l’audition de l’espace, le refroidissement de l’espace, la ventilation, les chaudières, les refroidisseurs, les pompes, les ventilateurs pour l’alimentation, le retour, le soulagement, l’extraction, les garages de stationnement |
| 1202.2 Utilisation totale de l’énergie du système d’éclairage | Doit inclure l’éclairage intérieur et extérieur, mais pas l’éclairage de tâche enfichable |
| Système de charge de fiche1202.3 Consommation totale d’énergie | Toute l’énergie utilisée par l’éclairage, les appareils et autres équipements enfichables |
| Charge totale du processus1202.4 Consommation d'énergie | Charges d’exploitation hors bâtiment >2 % du total (ou une partie de divers) |
| 1202.5 Diverse utilisation d’énergie totale | D’autres catégories, y compris l’eau chaude domestique, les ascenseurs et les escalators, les piscines |
Exigences en matière de compteurs divisionnaires ASHRAE 90.1
8.4.3.1 Surveillance de l’énergie électrique
- Les dispositifs de mesure doivent être installés dans de nouveaux bâtiments pour surveiller l'utilisation d'énergie électrique pour chacun des éléments suivants séparément :
- Énergie électrique totale
- Systèmes de CVC
- Éclairage intérieur
- Éclairage extérieur
- Circuits de prise
8.4.3.2 Enregistrement et rapports
- L'utilisation d'énergie électrique pour toutes les charges spécifiées à la section 8.4.3.1 doit être enregistrée au moins toutes les 15 minutes et rapportée au moins toutes les heures, tous les jours, tous les mois et chaque année.
- Les données de chaque espace locataire doivent être mises à la disposition de ce dernier. Dans les bâtiments dotés d'un système de commande numérique installé conformément à la section 6.4.3.10, les données d'utilisation d'énergie doivent être transmises au système de commande numérique et affichées graphiquement.
- Le système doit être en mesure de conserver toutes les données collectées pendant au moins 36 mois.
Prise rapide : les dispositifs électriques sont requis dans les nouveaux bâtiments pour surveiller une variété d’applications ET les données d’utilisation d’énergie doivent être enregistrées.
Similitude du code
| Type de commande | IECC 2021 | ASHRAE 90.1 2019 | Titre 24 2022 | Sommaire des exigences |
| Désagrégation des circuits électriques | ✔ | ✔ | ✔ |
|
États avec législation sur les compteurs divisionnaires électriques
- Arizona : les propriétaires peuvent mesurer l’utilisation individuelle et facturer les locataires pour le gaz, l’eau, l’électricité, l’élimination des déchets et les eaux usées
- California—2022 Titre 24, Partie 6 comprend la surveillance de l’énergie électrique et la désagrégation des exigences de charge
- Connecticut : les propriétaires doivent obtenir l’approbation de la Commission des services publics afin d’effectuer des compteurs divisionnaires
- District de Columbia : les propriétaires peuvent sous-compter l'électricité et l'essence pour les unités de location non résidentielles qui ne sont pas déjà mesurées individuellement
- Floride : les compagnies d’électricité doivent mesurer individuellement chaque unité dans la plupart des bâtiments
- Indiana : l’équipement de compteurs divisionnaires peut être installé dans des unités individuelles avec les locataires facturés
- Maryland : les compteurs divisionnaires commerciaux et résidentiels et la facturation des locataires sont autorisés avec l’approbation de la commission de l’État
- Minnesota : les compteurs divisionnaires peuvent ne pas se limiter aux occupants du bâtiment par les services publics
- New Jersey – Le New Jersey Board of Public Utilities a l’autorité sur le comptage divisionnaire, qui est autorisé dans les bâtiments industriels, commerciaux, financés publiquement et appartenant au gouvernement
- New York—La loi locale 88 de New York exige que tous les bâtiments commerciaux de plus de 25,000 pi2 installent des compteurs divisionnaires pour tout locataire qui loue au moins 5,000 pi2 d’espace
- Oklahoma : les MDU peuvent être desservies par un système de compteur/sous-compteur plutôt que par la mesure des services publics
- Oregon : règlements qui permettent aux propriétaires de procéder à des compteurs divisionnaires et à la facturation des locataires
- Texas : les appartements et appartements nouvellement construits doivent avoir des capacités de compteurs divisionnaires
- Virginie : les propriétaires peuvent sous-compter l’eau, l’électricité et le gaz aux locataires résidentiels et commerciaux, avec des normes et des exigences pour l’équipement établies par la loi
Transformateurs de courant (TC)
- Les transformateurs de courant passent autour du conducteur pour chaque circuit à mesurer.
- Types de TC de base3
- Noyau plein (100A –400A)
- Noyau à pince (100A –1600A)
- Bobine de Rogowski (gamme étendue 50-5000A)
Types de transformateurs de courant (TC)
Sortie TC100mA vs 333mV
- Les compteurs Leviton utilisent des types de 2 CT sortie
- Les séries 1000, 2000, 3500, 8000 et le minicompteur utilisent tous une sortie de 100mA
- Les séries 4000, 4100, 7000et 7100 utilisent toutes une sortie de 333mV
- La sortie CT doit correspondre à l'entrée CT du compteur (100mA / 333mV).
- Le TC doit être dimensionné en fonction de l'intensité du circuit auquel il est raccordé.
- La valeur nominale du TC doit être > à l'intensité maximale du circuit.
- Les compteurs Leviton utilisent des types de 2 CT sortie
- TC à noyau solide
- Utilisé pour une précision plus élevée (qualité de revenu) et les applications de facturation des locataires
- 100mA –CDA01/02, CDF04
- 333mV –CDV01/02
- Utilisé pour une précision plus élevée (qualité de revenu) et les applications de facturation des locataires
- CT à noyau à pince
- Utilisé pour les réfections où la déconnexion du conducteur serait problématique.
- Utilisé pour les applications commerciales/industrielles où la précision de la qualité du revenu n’est pas une exigence
- 100mA –CTD01/02/04, CTC08/12/16
- 333mV –CTV01/02/04/08
- Bobine de Rogowski CT
- Utilisé pour les circuits à intensité élevée
- CRV50 (12”, 16”, 18”, 24” longueurs)
- Utilisé pour les circuits à intensité élevée
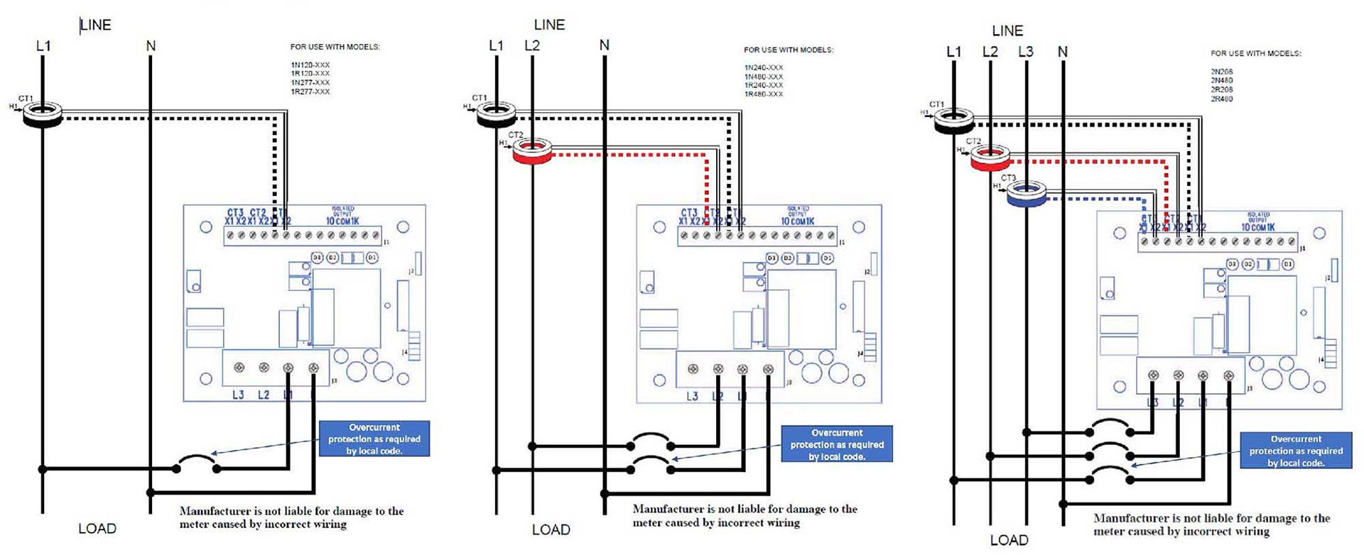
Schémas de câblage des compteurs divisionnaires
- Chaque TC est raccordé à l'entrée CT du compteur, agissant comme détecteur de courant pour le circuit.
- Utilisation de compteurs monophasés 1 CT
- 2-phase mètres utilisent 2 TC
- 3-phase mètres utilisent 3 TC
- Un TC pour chaque branche active du circuit.
- Pas de TC sur le neutre
Problèmes courants avec les applications de transformateur de courant
Polarité inversée
- Valeurs kWh négatives
- Les TC sont étiquetés pour indiquer quel côté doit être face à la charge.
- Certains compteurs sont dotés d'un indicateur/réglage de polarité inversée
- Il est toujours préférable de corriger l'erreur en installant correctement le TC
- Si le TC est correctement orienté, vérifier la polarité d'entrée du compteur.
Taille CT (mauvaise intensité)
- Les lectures sont directement liées à l’intensité du système du compteur et du TC jumelé.
- 200A CT sur un compteur de 100A = lecture de 50 % kWh
- 100A TC sur un compteur de 200A = 200 % kWhDommage potentiel au TC et à l’entrée du compteur
Sortie CT incorrecte (Type 100mA / 333mV)
- Les compteurs de Leviton doivent correspondre au TC de sortie 100mA ou 333mV approprié
- Les lectures ne seront pas correctes avec le mauvais type de sortie.
Compteurs d’impulsions
- Les compteurs d’impulsions sont simples, mais très fiables
- Idéal lorsque l’utilisation d’énergie (kWh) est la seule donnée requise.
- Rapporter kWh comme la somme d’un nombre d’impulsions
- Pic en kW en option
- Certains modèles offrent une option de demande réarmable
- Largement utilisé pour les applications de facturation des locataires
Données du compteur d’impulsions
- Le compteur mesure le kWh et génère une sortie d’impulsion électrique chaque fois qu’il atteint la valeur spécifiée en kWh.Valeurs typiques pour les compteurs Leviton
- 1kWh = 1000 Wh
- 100Wh
- 10Wh = plus de détails (intervalles plus courts)
- Chaque impulsion = 10/100/1k-WH
- Les impulsions sont converties en kWh d’utilisation d’énergie pour la production de rapports
Pros
- Simple à installer et à mettre en service
- Rentable
- Fiable
- Sortie de données très petite
- De nombreux modèles disponibles pour les applications monophasées, 2-phase et 3-phase
Conséquences
- Sortie de données limitée – kWh/demande
- Aucune interface utilisateur intégrée
- Aucune interface de communication avancée pour le réseautage
Compteurs d’impulsions Leviton (électriques)
- Mini mètre
- Modèles monophasés et bipolaires (100A et 200A)
- Diverses options de logement
- Unité multicompteur (MMU)
- Série 1000
- monophasé (100A –800A)
- Options de logement intérieur et extérieur
- Série 2000
- 3-phase (100A –1200A)
- Logement intérieur et extérieur
- Unité multicompteur (MMU)
Compteurs d’impulsions Leviton (essence et eau)
Compteurs de gaz
- 200–400 pi3/Heure Modèles adaptés à la plupart des applications
- Sortie d’impulsion standard –CFH
- Compatible avec les dispositifs EMH et AMR sans fil de Leviton
- Ensembles de connecteurs inclus avec le compteur
Compteurs d’eau
- Compteurs d’eau chaude et froide pour usage résidentiel et commercial
- Une variété de modèles de 1,9 cm à 2.0”
- Sortie à impulsions standard – Gal.
- Compatible avec les dispositifs EMH et AMR sans fil de Leviton
- Raccords inclus avec les compteurs commerciaux
Compteurs avancés
- Les compteurs avancés offrent une large gamme de paramètres de mesure au-delà du kWh
- Hautement configurable pour une variété d’applications
- Prise en charge de l’interface utilisateur en réseau
- Modbus RTU (RS485) / TCP (Ethernet)
- BACnet MSTP (RS485 /IP (Ethernet)
- La plupart utilisent un logiciel ou une interface utilisateur basée sur un navigateur pour la configuration
- Largement utilisé pour les applications commerciales et industrielles
- Données de compteur avancées
- Les compteurs avancés surveillent et rapportent tous leurs points de données
- Permettent l’analyse d’une variété de paramètres d’utilisation d’énergie et de qualité.
- kW/énergie nette
- kVA / kVAR
- Facteur de puissance
- Tension/Fréquence
- Idéal lorsque plus de données énergétiques sont requises
Pros
- Ensemble complet de données au-delà du kWh
- Fiable
- Hautement configurable
- Les services de mise en service de Leviton sont fortement recommandés.
- De nombreux modèles disponibles pour prendre en charge les applications monophasées, 2-phase et 3-phase
- Prise en charge de l’interface Modbus et BACnet
- Facilement mis en réseau
Conséquences
- Plus complexe à installer et à configurer
- Un peu plus cher
Compteurs avancés
- Série 3500
- 3-phase mètres (100A –5000A)
- Modbus TCP ou BACnet IP (Ethernet)
- Options de logement intérieur ou extérieur
- Série 4000
- 3-phase mètres (100A –5000A)
- Options noyau solide, noyau à pince et TC Rogowski
- Modbus RTU (RS485)
- Options de montage sur logement extérieur ou sur rail DIN
- Série 4100
- 3-phase mètres (100A –5000A)
- Version bidirectionnelle de la série 4000
- Modbus RTU ou BACnet MS/TP (RS485)
- Options de montage sur logement extérieur ou sur rail DIN
Compteurs multicircuits avancés
- Les compteurs avancés offrent une large gamme de paramètres de mesure au-delà du kWh
- Hautement configurable pour une variété d’applications
- Prise en charge de l’interface utilisateur en réseau
- Modbus RTU (RS485) / TCP (Ethernet)
- BACnet MSTP (RS485) / IP (Ethernet)
- La plupart utilisent un logiciel ou une interface utilisateur basée sur un navigateur pour la configuration
- Largement utilisé pour les applications commerciales et industrielles
- Données de compteur avancées
- Les compteurs avancés surveillent et rapportent tous leurs points de données
- Permettent l’analyse d’une variété de paramètres d’utilisation d’énergie et de qualité.
- kW/énergie nette
- kVA / kVAR
- Facteur de puissance
- Tension/Fréquence
- Idéal pour mesurer plusieurs charges à partir d'une source commune
- Idéal lorsque plus de données énergétiques sont requises
Pros
- Surveiller plusieurs circuits à partir d'une plate-forme de compteur unique (12 à 48 circuits)
- Le coût par point de compteur est inférieur
- Ensemble complet de données au-delà du kWh
- Économie d'espace
- Facilement mis en réseau
- Fiable
- Hautement configurable
- Les services de mise en service de Leviton sont fortement recommandés.
- Modèles pour prendre en charge les applications monophasées, 2-phase et 3-phase
- Prise en charge de l’interface Modbus et BACnet
Conséquences
- Plus complexe à installer et à configurer
Compteurs multicircuits avancés de Leviton
- Série 8000
- 1, 2 ou 3-phase configurations (100A –5000A)
- Circuits24 (configurables pour 24 x 1P, 12 x 2P, 8 x 3P)
- Options de TC à noyau solide et à noyau à pince
- Modbus RTU (RS485), Modbus TCP ou IP (Ethernet)
- Série 7100
- 16 x 3-phase mètres (50A –4000A)
- Options noyau solide, noyau à pince et TC Rogowski
- Modbus RTU ou BACnet MS/TP (RS485), Modbus TCP ou BACnet IP (Ethernet)
- Série 7000
- Version intégrée sans logement
- 16 x 3-phase mètres (50A –4000A)
- Options noyau solide, noyau à pince et TC Rogowski
- Modbus RTU ou BACnet MS/TP (RS485), Modbus TCP ou BACnet IP (Ethernet)
Module d’impulsion haute densité (A8911)
- Rassemble les données d'impulsions de jusqu'à 23 compteurs d'impulsions
- Consolide les données en un seul flux de données Modbus
- Requiert un bloc d'alimentation 24VDC
Où l’utiliser :
- Fonctionne avec tous les compteurs d’impulsions (électricité, eau, gaz)
- Composant clé dans les installations de compteurs multiples, agissant comme concentrateur de données à impulsions
- Fréquemment intégrés dans les armoires MMU pour connecter tous les compteurs à une seule sortie Modbus.
Module d'E/S flexible (A8332)
- Rassemble les données d'impulsion de jusqu'à 8 entrées de dispositif définies par l'utilisateur
- Entrées à impulsions
- 4-20mA entrées de dispositif
- Résistive
- Consolide les données en un seul flux de données Modbus
- Requiert un bloc d'alimentation 24VDC
Où l’utiliser :
- Idéal lorsqu'il y a des entrées autres que des compteurs d'impulsions qui doivent être captées
- Fonctionne également avec tous les compteurs d’impulsions (électricité, eau, gaz)
Modhopper (R9120)
- Fonctionne comme un émetteur-récepteur Modbus sans fil
- Crée un réseau maillé sans fil 900MHz
- Comprend une entrée de RS485 pour un maximum de 32 dispositifs
- Comprend 2 entrées d’impulsion
- Requiert un bloc d'alimentation 24VDC
Où l’utiliser :
- À utiliser là où le câblage Modbus (RS485) est problématique.
- Idéal dans les campus pour atteindre entre les bâtiments.
- Fonctionne avec tous les compteurs d’impulsions (électricité, eau, gaz)
- Il s'agit d'un dispositif sans fil : soyez conscient des obstructions sans fil et des problèmes de champ de vision évidents liés à l'emplacement du dispositif
Lecture de compteur automatisée sans fil (AMR)
- Réseau maillé sans fil de902 MHz
- Données du compteur d’impulsions seulement
- Composants du système
- Transcepteur de données de compteur (MDT) T70MB
- Un MDT fixé à chaque compteur
- Répéteurs T95RX
- Au besoin, pour construire un réseau maillé solide
- Point d’accès à la concentration des données (DCAP) T25DX
- Un par site - capture toutes les données d’impulsion du compteur et les pousse sous forme de fichier CSV
Où l’utiliser :
- À utiliser avec les compteurs d’impulsions. (minicompteur, série 1000/2000)
- MDT est livré avec un minicompteur (MDTSW/MDTFW)
- Idéal pour les applications résidentielles multilocataires
EMB Hub-Lite A7810
- Consolide les données de mesure des impulsions à partir de 4 mètres maximum.
- Comprend 4 entrées d’impulsion standard (aucun Modbus sur ce modèle)
- Crée un fichier CSV avec les données combinées
- Transmet les données à l'emplacement indiqué par l'utilisateur :
- Plateforme logicielle BMO sur le nuage
- Plate-forme logicielle3rd party
- Site FTP
- Téléchargement de fichiers sur PC
- Interface de navigateur conviviale et intégrée
Où l’utiliser :
- Idéal pour les petits compteurs à impulsions (4 mètres ou moins)
- À utiliser avec MMU Med (4 m)
- Offert séparément ou dans un logement NEMA avec bloc d’alimentation
Concentrateur EMB A8810
- Consolide les données de mesure et de détection de jusqu’à 32 dispositifs Modbus RTU (RS485)
- Compatible avec une grande variété de compteurs et de détecteurs Modbus
- Pilotes intégrés pour la plupart des dispositifs
- Configuration facile
- Crée un fichier CSV avec les données combinées
- Transmet les données à l'emplacement indiqué par l'utilisateur :
- Plateforme logicielle BMO sur le nuage
- Plate-forme logicielle3rd party
- Site FTP
- Téléchargement de fichiers sur PC
- Interface de navigateur conviviale et intégrée
Où l’utiliser :
- Idéal pour les grands systèmes de compteurs intégrés (impulsions ou Modbus)
- À utiliser avec le module d’impulsion HD (A8911) pour l’intégration du compteur d’impulsions
- Offert séparément ou dans un logement NEMA avec bloc d’alimentation
Concentrateur EMH A8812
- Consolide les données de mesure et de détection de jusqu’à 32 dispositifs Modbus RTU (RS485) + 8 entrées d’impulsion
- Interface avec Modbus RTU (RS485)
- Compatible avec une grande variété de compteurs et de détecteurs Modbus
- Pilotes intégrés pour la plupart des dispositifs
- Configuration facile
- Crée un fichier CSV avec les données combinées
- Transmet les données à l'emplacement indiqué par l'utilisateur :
- Plateforme logicielle BMO sur le nuage
- Plate-forme logicielle3rd party
- Site FTP
- Téléchargement de fichiers sur PC
- Interface de navigateur conviviale et intégrée
Où l’utiliser :
- Idéal pour les grands systèmes de compteurs intégrés (impulsions ou Modbus)
- Idéal pour les installations avec un mélange de dispositifs à impulsion et Modbus
- Lorsqu’un logement métallique mural avec option de verrouillage est souhaitable.
Résidentiel à hauteur élevée
(Unités de logement multiples)
Leviton est votre source unique pour une solution complète de mesure de la consommation des locataires spécialement adaptée aux applications haute densité.
- Une solution construite autour de la série 8000 est particulièrement rentable pour les nouvelles constructions en raison de sa capacité et de sa flexibilité.
- Le compteur divisionnaire de la série 8000 est facile à installer et à câbler et offre une flexibilité totale pour s’adapter à toute conception de projet et est configurable pour tout type de service électrique, y compris :
- 120/208V 1P3W (120/208V 3P4W service au panneau)
- 120/240V 1P3W
- 120/208V 3P4W
L’avantage Leviton
- Espace mural minimal et coûts de construction réduits
- Interface pour compteurs d'eau, de gaz, de BTU, etc. dans un seul système
- Les techniciens d’usine de Leviton fournissent des services de démarrage, de programmation et de formation du système
- L’architecture ouverte offre la flexibilité d’utiliser votre choix d’entreprise de facturation tierce ou le module de facturation des locataires VerifEye BMO
- Utilisez le module d’impulsion A8911 HD pour la capture du compteur de gaz et d’eau à impulsions
- Se servir de la série 8000 au panneau pour mesurer le circuit principal de chaque appartement/unité.
- Utilisez le concentrateur A8812 ou A8810 pour consolider les données de tous les compteurs
- Envoyez les données au module de facturation du locataire BMO ou à une solution logicielle de facturation 3rdparty
Résidentiel AMR sans fil
(Unités de logement multiples)
Leviton offre une solution de mesure de la consommation sans fil complète qui convient parfaitement aux applications à locataires multiples.
- Une solution construite autour du minicompteur est particulièrement rentable pour les nouvelles constructions, utilisant des transmetteurs sans fil plutôt que des compteurs câblés.
- Le mini-compteur encastré ou en saillie est facile à installer dans chaque unité.
- Prend en charge un service 120/208/240V jusqu’à 200A
L’avantage Leviton
- Facilité de réfection grâce à un système sans fil robuste
- Faible empreinte avec boîtiers encastrés ou en saillie
- Prise en charge sans fil pour une intégration facile de l’eau et du gaz, compteurs en un seul système
- Les techniciens d’usine de Leviton fournissent des services de démarrage, de programmation et de formation du système
- L’architecture ouverte offre la flexibilité d’utiliser votre choix d’entreprise de facturation tierce ou le module de facturation du locataire VerifEye BMO
- Se servir d'un minicompteur doté d'une RAM sans fil installé dans chaque appartement/unité.
- Utilisez le MDT sans fil standard pour la capture de compteur de gaz et d’eau à impulsions
- Utilisez des répéteurs sans fil, au besoin, pour construire un réseau maillé solide
- Utilisez le DCAP sans fil pour consolider toutes les données sans fil de chaque unité
- (Facultatif) Utilisez le concentrateur A8810 pour transmettre les données du DCAP
- Envoyez les données au logiciel de facturation de groupe 3rd ou téléchargez le fichier CSV directement depuis le concentrateur
Usage commercial/mélangé
Qu'il s'agisse d'un petit immeuble de bureaux à deux étages, d'un vaste complexe de bureaux commerciaux ou d'une nouvelle installation à usage mixte, Leviton possède la bonne combinaison de composants et d'expertise pour offrir la solution optimale.
- Redirigez la responsabilité de l’utilisation de l’énergie vers les locataires et rationalisez les opérations de comptabilité avec une solution Leviton.
- Un contrôle précis des services publics des locataires et des principaux systèmes de construction peut générer des économies de coûts substantielles.
L’avantage Leviton
- Facile à installer, ce qui permet d’économiser du temps et des coûts de main-d’œuvre
- Solution système complète et rentable
- Information énergétique universelle avec protocole et interface ouverts
- Accès Web/navigateur aux données et rapports avec les solutions logicielles BMO
- Compatibilité avec les solutions logicielles de facturation de 3rd parties
- Utilisez des compteurs de série 7100 au panneau pour la mesure de la densité du panneau
- Hautement configurable pour une variété de types de charge
- Utilisez des compteurs à impulsions de série 2000 pour les charges isolées de 3-phase .
- Se servir des modules d'impulsion HD (A8911) pour capturer les données des compteurs de gaz et d'eau S2000.
- Utilisez le concentrateur A8810 pour consolider les données des compteurs et des modules HD Pulse
- Envoyez les données à BMO, un logiciel de facturation pour 3rd parties, ou téléchargez le fichier CSV directement depuis le concentrateur
- Utilisez l’interface BACnet avec concentrateur A8810 pour partager des données avec le système BMS
Usage commercial/mélangé
(avec sans fil)
VerifEye de Leviton offre une gamme de dispositifs qui intègrent des protocoles standard, des options sans fil et des technologies CT à noyau à pince, rendant les réfections relativement faciles et peu coûteuses.
Facturation précise par les locataires de l’utilisation de l’électricité, de l’eau, du gaz et des services publics des aires communes
- Rediriger la responsabilité de l’utilisation de l’énergie vers les locataires et rationaliser les opérations de comptabilité
- Un contrôle précis des services publics des locataires et des principaux systèmes de construction peut générer des économies de coûts substantielles.
L’avantage Leviton
- Facile à installer, ce qui permet d’économiser du temps et des coûts de main-d’œuvre
- Solution système complète et rentable
- Modhopper sans fil facilite les réfections.
- Accès Web/navigateur aux données et rapports avec les solutions logicielles BMO
- Compatibilité avec les solutions logicielles de facturation de 3rd parties
- Utilisez les compteurs des séries 7100 ou 8000 au panneau pour la mesure de la densité du panneau
- Hautement configurable pour une variété de types de charge
- Utilisez des compteurs à impulsions de série 2000 pour les charges isolées de 3-phase .
- Se servir des modules d'impulsion HD (A8911) pour capturer les données des compteurs de gaz et d'eau S2000.
- Utilisez Modhopper (R9120) sans fil pour la réfection lorsque le câblage RS485 est problématique
- Utilisez le concentrateur A8810 pour consolider les données des compteurs et des modules HD Pulse
- Envoyez les données à BMO, un logiciel de facturation pour 3rd parties, ou téléchargez le fichier CSV directement depuis le concentrateur
- Utilisez l’interface BACnet avec concentrateur A8810 pour partager des données avec le système BMS
Campus Éducation et professionnel
Les installations modernes dépendent de plus en plus de la technologie. Des ordinateurs à chaque bureau, un équipement A/V sophistiqué dans chaque pièce, tout en consommant de l’énergie.
Les systèmes VerifEye permettent la mesure fractionnaire de l’énergie de l’ensemble du bâtiment aux circuits de dérivation individuels sur une seule plateforme à l’échelle du campus. Les données énergétiques sont partagées avec un logiciel de contrôle de l’énergie, EMS/BMS, tableaux de bord, ESCO, etc.
L’avantage Leviton
- Facile à installer, ce qui permet d’économiser du temps et des coûts de main-d’œuvre
- Vaste gamme de produits, solution de système rentable
- Hautement évolutif
- Une visibilité claire sur les données énergétiques en aval facilite la répartition des coûts du service et aide à prévoir les besoins énergétiques futurs
- Système ouvert, compatible avec BMO, logiciel de groupe 3rd et EMS/BMS
- Utilisez des compteurs de série 8000 au panneau pour la mesure de la densité du panneau
- Hautement configurable pour une variété de types de charge
- Se servir des compteurs de série 3500 pour les charges isolées de 3-phase .
- Utilisez le réseau central CAT5/6 (Ethernet) existant pour la communication du système
- Utilisez le concentrateur A8812 pour consolider les données des compteurs
- Envoyez les données à BMO, un logiciel de rapport et de facturation pour 3rd parties, ou téléchargez le fichier CSV directement à partir du concentrateur
- Utilisez l’interface BACnet avec concentrateur A8810 pour partager des données avec le système BMS
Industriel/Fabrication
Il faut une énorme quantité d’énergie pour faire fonctionner l’équipement de processus de fabrication, l’éclairage et les systèmes de CVC dans une usine typique. Les usines et les installations industrielles peuvent réaliser des économies de coûts considérables en améliorant le rendement de l’équipement, en déplaçant la charge et en éliminant la consommation inutile.
En outre, une répartition précise des coûts des services publics rendue possible grâce à la surveillance de l’énergie peut améliorer la gestion des coûts de production par unité. Les données de contrôle de l’énergie peuvent faciliter un plan solide de gestion de l’énergie et d’amélioration qui, s’il est utilisé correctement, offrira des opportunités d’économies significatives.
L’avantage Leviton
- Hautement évolutif
- Facile à installer, ce qui permet d’économiser du temps et des coûts de main-d’œuvre
- Vaste gamme de produits, solution de système rentable
- Une visibilité claire sur les données énergétiques en aval facilite la répartition des coûts du service et aide à prévoir les besoins énergétiques futurs
- Système ouvert, compatible avec BMO, logiciel de groupe 3rd et EMS/BMS
- Utilisez des compteurs Modbus (RS485) de série 4000 pour les charges industrielles
- Hautement configurable pour une variété de types de charge
- Utilisez les compteurs Modbus TCP (Ethernet) de la série 3500 pour les charges isolées de 3-phase .
- Utilisez le réseau central CAT5/6 (Ethernet) existant pour la communication du système
- Utilisez le concentrateur A8812 pour consolider les données des compteurs
- Envoyez les données à BMO, un logiciel de facturation pour 3rd parties, ou téléchargez le fichier CSV directement depuis le concentrateur
- Utilisez l’interface BACnet avec concentrateur A8810 pour partager des données avec le système BMS
